English
Español
Português
русский
Français
日本語
Deutsch
tiếng Việt
Italiano
Nederlands
ภาษาไทย
Polski
한국어
Svenska
magyar
Malay
বাংলা ভাষার
Dansk
Suomi
हिन्दी
Pilipino
Türkçe
Gaeilge
العربية
Indonesia
Norsk
تمل
český
ελληνικά
український
Javanese
فارسی
தமிழ்
తెలుగు
नेपाली
Burmese
български
ລາວ
Latine
Қазақша
Euskal
Azərbaycan
Slovenský jazyk
Македонски
Lietuvos
Eesti Keel
Română
Slovenski
मराठी
Srpski језик
A termék jellemzői
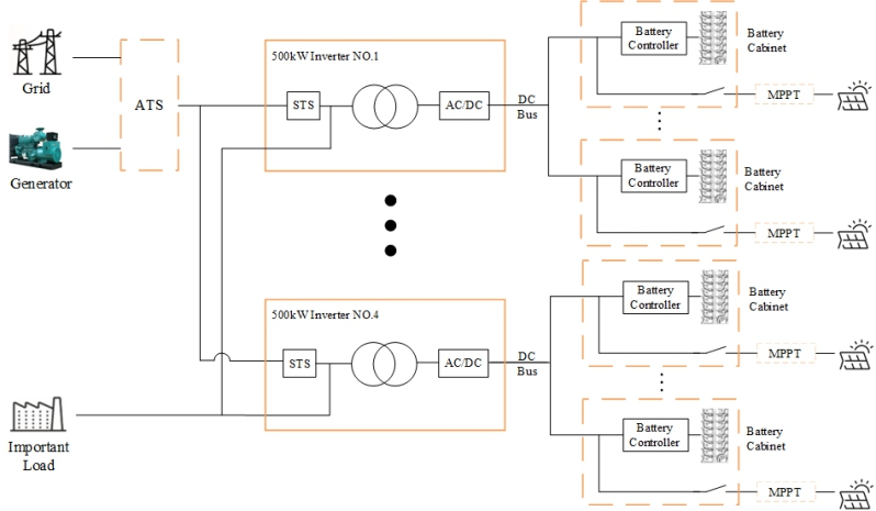
1.500 kW-ot meghaladó terhelés esetén nagy kapacitású, 500 kW-os egyegységes energiatároló inverter használata javasolt, amely akár négy párhuzamos csatlakozási sorozatot is képes támogatni, 2 MW összteljesítmény elérése érdekében;
2. Ha több 500 kW-os rendszert üzemeltet párhuzamosan, és STSacross különböző 500 kW-os invertereket oszt el, döntő fontosságú annak biztosítása, hogy a kábelhossz a hálózat csatlakozási pontjától a terhelés csatlakozási pontjáig egyenletes legyen;
3. A hibrid ESS DC-csatolt fotovoltaikus integrációt alkalmaz, magas energiaátalakítási hatékonyságot ér el, és hálózaton kívüli forgatókönyvekre optimalizálva, amikor a PV-termelési kapacitás meghaladja a terhelési igényt; Kültéri besorolású MPPT
A vezérlők a kombináló és az MPPT funkciókat egyetlen edzett házba integrálják. A teljes rendszer tartalmaz egy dízel generátor ATS opciót, egy 300 kW-os hibrid invertert, PV MPPT vezérlőt és egy akkumulátort
energiatároló rendszer.


Specifikáció
| Modellek | P500TS-400-A | |
|
DC-Side paraméterek |
Feszültség tartomány | 500-950V |
| Maximális áramerősség | 1128A | |
| Névleges kimeneti teljesítmény | 500 kW | |
|
AC-oldali paraméterek (hálózatra kapcsolva) |
Maximális kimeneti teljesítmény | 550 kW |
| Névleges kimeneti áram | 722A | |
| THDi | <3% | |
| Rács típusa | 3W+N+PE | |
| Feszültség tartomány | 360VAC ~ 440VAC | |
| Frekvencia tartomány | 45-55Hz/55-65Hz | |
| Teljesítménytényező | -1~1 | |
| Névleges kimeneti teljesítmény | 500 kW | |
|
AC oldali paraméterek (Rácson kívül) |
Névleges kimeneti feszültség | 400V |
| Névleges kimeneti frekvencia | 50/60 Hz | |
| THDu | <1%Lineáris terhelés,<5%Nemlineáris terhelés | |
| Túlterhelési kapacitás | 110%10 perc | |
| Karbantartási bypass kapcsoló | 1250A | |
|
Off-Grid kapcsoló és kapcsoló konfigurációja |
DC kapcsoló | 1250A |
| Töltéskapcsoló | 1250A | |
| Rács kapcsoló | 1250A | |
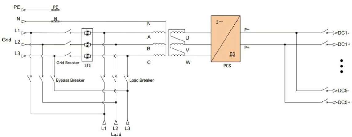
| STS egység | 1155A/800kW | |
| Kapcsolási idő | <20 ms | |
|
A rendszer paraméterei |
Csúcshatékonyság | 97,5% |
| Üzemi hőmérséklet | -30~55 ℃ (40 ℃ feletti hőmérséklet) | |
| Relatív páratartalom | 0-95% relatív páratartalom, nem kondenzál | |
| Méretek (H*M*H) | 1600×1050×2050 mm | |
| Súly | 2700 kg | |
| IPgrade | IP21 IP21 (komplett gép) | |
| Zaj | <70 dB | |
| Kijelző képernyő | LCD | |
| BMS kommunikáció | TUD | |
| EMS kommunikáció | TCP/IP | |