English
Español
Português
русский
Français
日本語
Deutsch
tiếng Việt
Italiano
Nederlands
ภาษาไทย
Polski
한국어
Svenska
magyar
Malay
বাংলা ভাষার
Dansk
Suomi
हिन्दी
Pilipino
Türkçe
Gaeilge
العربية
Indonesia
Norsk
تمل
český
ελληνικά
український
Javanese
فارسی
தமிழ்
తెలుగు
नेपाली
Burmese
български
ລາວ
Latine
Қазақша
Euskal
Azərbaycan
Slovenský jazyk
Македонски
Lietuvos
Eesti Keel
Română
Slovenski
मराठी
Srpski језик |
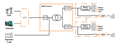
Funkció A rendszer moduláris inverter egységeket használ párhuzamos konfigurációban, ahol minden inverter modul DC bemenete egy dedikált akkumulátorszekrénynek felel meg, klaszterenkénti menedzsment lehetővé teszi a között keringő áramok kiküszöbölését akkumulátor húrok. Az AC/DC tápmodulok rugalmas telepítést támogatnak mind mennyiségben, mind névleges teljesítmény, 60 kW maximális kapacitású modulok 5 egységben párhuzamosan konfigurációt. A teljesítménymodulok váltakozó áramú kimenete transzformátoron keresztül érkezik elszigetelt végfokozat, amely erős ellenállással látja el a terhelést jelenlegi sokk. A hibrid ESS DC-csatolt fotovoltaikus integrációt alkalmaz, ami magas energiaátalakítási hatékonyság és optimalizálva a hálózaton kívüli forgatókönyvekhez PV-vel termelési kapacitás meghaladja a terhelési igényt; Kültéri besorolású MPPT vezérlők integrálja a kombináló és az MPPT funkciókat egyetlen edzett házba. A teljes rendszer tartalmaz egy dízelgenerátoros ATS opciót, egy 300 kW-os hibridet inverter, PV MPPT vezérlő és akkumulátor energiatároló rendszer.
Funkció A rendszer moduláris inverter egységeket használ párhuzamos konfigurációban, ahol minden inverter modul DC bemenete egy dedikált akkumulátorszekrénynek felel meg, klaszterenkénti menedzsment lehetővé teszi a között keringő áramok kiküszöbölését akkumulátor húrok. Az AC/DC tápmodulok rugalmas telepítést támogatnak mind mennyiségben, mind névleges teljesítmény, 60 kW maximális kapacitású modulok 5 egységben párhuzamosan konfigurációt. A teljesítménymodulok váltakozó áramú kimenete transzformátoron keresztül érkezik elszigetelt végfokozat, amely erős ellenállással látja el a terhelést jelenlegi sokk. A hibrid ESS DC-csatolt fotovoltaikus integrációt alkalmaz, ami magas energiaátalakítási hatékonyság és optimalizálva a hálózaton kívüli forgatókönyvekhez PV-vel termelési kapacitás meghaladja a terhelési igényt; Kültéri besorolású MPPT vezérlők integrálja a kombináló és az MPPT funkciókat egyetlen edzett házba. A teljes rendszer tartalmaz egy dízelgenerátoros ATS opciót, egy 300 kW-os hibridet inverter, PV MPPT vezérlő és akkumulátor energiatároló rendszer.
Műszaki adatok |
|||||
| Modellek | P200TS-400-A | P250TS-400-A | P300TS-400-A | ||
|
DC-Side paraméterek |
Feszültség tartomány | 650-950VDC | |||
| Modulonkénti bemeneti kapcsoló | 250A | ||||
| Egyenáramú csatornák száma | 3 út | 4 irányú | 5 út | ||
|
AC-oldali paraméterek (hálózatra kapcsolva) |
Névleges kimeneti teljesítmény | 200 kW | 250 kW | 300 kW | |
| Maximális kimeneti teljesítmény | 220 kW | 275 kW | 330 kW | ||
| Névleges kimeneti áram | 289A | 361A | 433A | ||
| THDi | <3% | ||||
| Rács típusa | 3W+N+PE | ||||
| Feszültség tartomány | 360Vac~440Vac | ||||
| Frekvencia tartomány | 45-55Hz/55-65Hz | ||||
| Teljesítménytényező | -1~1 | ||||
|
Szigetezett AC oldali paraméterek |
Névleges kimeneti teljesítmény | 200 kW | 250 kW 300 kW | ||
| Névleges kimeneti feszültség | 400Vac | ||||
| Névleges kimeneti frekvencia | 50/60 Hz | ||||
| THDu | <1% lineáris, <5% nemlineáris<1% lineáris, <5% nemlineáris | ||||
| Túlterhelési kapacitás | 110% túlterhelés 10 percig110% 10 percig | ||||
|
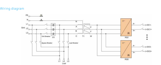
Grid-Islanding Átadó és kapcsolóberendezés |
Karbantartási bypass kapcsoló | 400A | 630A | ||
| Rácskapcsolók | 630A | 800A | |||
| Terhelési kapcsolók | 400A | 630A | |||
| STS egység | 577A/400kW | 722A/500kW | |||
| Kapcsolási idő | <20 ms | ||||
|
A rendszer paraméterei |
Csúcs hatékonyság | 97,5% | |||
| Üzemi hőmérséklet | -30-55 ℃-30-55 ℃ (40 ℃ feletti hőmérséklet) | ||||
| Relatív páratartalom | 0-95%RH,0-95%RH,Nem kondenzál | ||||
| Méretek (H*M*H) | 1300×1050×2050 mm | ||||
| Súly | 1400 kg | 1700 kg 1800 kg | |||
| IPgrade | IP21 IP21 (teljes készlet) | ||||
| Zaj | <70 dB | ||||
| Kijelző képernyő | LCD érintőképernyő | ||||
| BMS kommunikáció | TUD | ||||
| EMS kommunikáció | TCP/IP | ||||